
Giới thiệu về Công ty Bu Lông Nam Hải
Công ty TNHH đầu tư thương mại và xuất nhập khẩu Nam Hải - Bu Lông Nam Hải là đơn vị hoạt động trong lĩnh vực sản xuất và nhập khẩu các dòng sản phẩm phụ trợ thiết bị công nghệ uy tín hàng đầu ở nước ta. Đi đầu trong ngành với hơn 10 năm kinh nghiệm hoạt động, công ty đã thành công mang những sản phẩm chất lượng của mình đến với khách hàng trên cả nước.
Sở hữu cho mình danh sách dài những khách hàng đối tác lớn, điều giúp cho Bu Lông Nam Hải có thể phát triển bền vững chính là:

Nhờ vậy mà mỗi dòng sản phẩm công ty đưa đến cho khách hàng đều đạt chất lượng và độ hoàn thiện cao, đến từng chi tiết nhỏ nhất.
Những dòng sản phẩm chất lượng tại Bu Lông Nam Hải
Để đáp ứng đầy đủ nhu cầu của khách hàng trong các ngành sản xuất, xây dựng hệ thống thiết bị, máy móc công nghiệp, xây dựng, hàng hải... Hiện tại, Công ty Bu Lông Nam Hải đang cung cấp các dòng sản phẩm gồm:
-
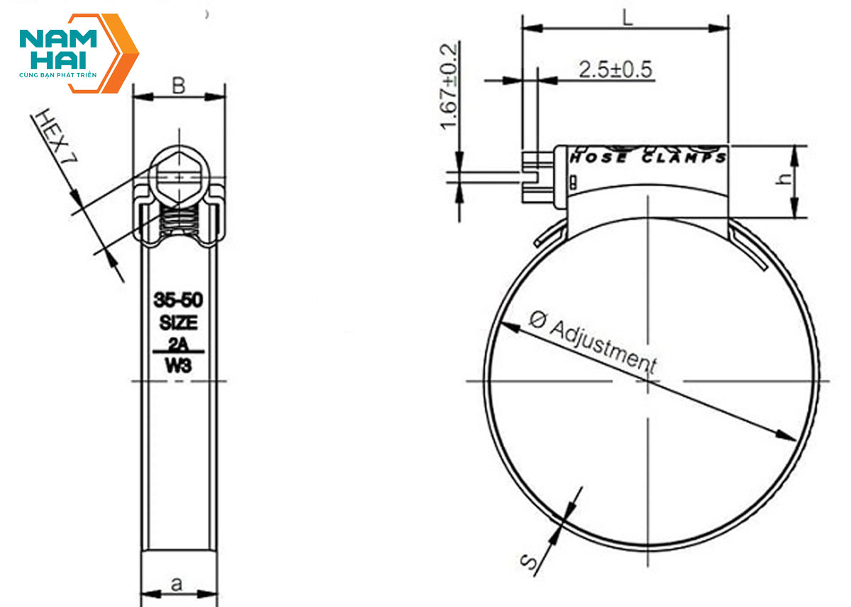
Đai treo ống - Đai xiết inox
-
Bu lông các loại: Hơn 100 mẫu bu lông phục vụ cho khách hàng. Các dòng bu lông inox, bu lông cường độ cao, bu lông mở, bu lông đặc biệt... được sử dụng và chọn mua nhiều.
-
Ốc vít inox, vít máy, vít gỗ, vít bắn tôn, vít tự khoan, vít tạo ren.
-
Thanh ren - Ty ren Inox 201, 304 mạ kẽm điện phân.
-
Cáp thép, tăng đơ, mã ní, tai cẩu.
-
Đinh rút inox , đinh hàn , chốt chẻ inox..

Mỗi dòng sản phẩm đều có đầy đủ kích thước, kết cấu cho khách hàng lựa chọn phù hợp với mục đích sử dụng của mình.
Mua đai treo ống - đai xiết inox chính hãng tại Nam Hải
Đai treo ống, đai xiết inox là các thiết bị linh kiện được dùng rất nhiều trong thi công các đường ống công trình. Từ đường ống nước, đường ống điện, đường ống dẫn khí... đều cần có đai treo và đai xiết hỗ trợ.
Tại Công ty Bu Lông Nam Hải, đơn vị đang cung cấp cho khách hàng nhiều sự lựa chọn là:
-
Đai ôm inox: Dùng để cố định đường ống vào sát tưởng. Thích hợp cho những đường ống đứng hoặc nằm trên sàn.
-
Đai treo inox: Dùng để treo đường ống lên trần nhà, độ chịu lực cao và bền bỉ nhờ làm bằng inox.
-
Đai xiết inox: Dùng để xiết chặt ống tại các điểm nối ống. Có nhiều kích thước phù hợp với từng kích thước ống riêng biệt.

Tất cả đều được làm từ thép không gỉ - inox nên không chỉ đảm bảo độ bền cao mà có khả năng chống oxy hóa, chống ăn mòn và tăng tính thẩm mỹ cho công trình.
Vì sao nên mua đai treo ống - đai xiết inox tại Bu Lông Nam Hải?
Trên thị trường hiện nay có không ít đơn vị kinh doanh đai treo ống, đai xiết inox. Nhưng để đảm bảo chất lượng và đáp ứng các thông số kỹ thuật tốt nhất, mọi người nên ưu tiên chọn mua tại Công ty Bu Lông Nam Hải. Bởi vì:
-
Đơn vị cung cấp đa dạng các dòng đai treo, đai xiết, cho khách hàng lựa chọn.
-
Mỗi một sản phẩm đều được kiểm tra chất lượng khắt khe. Cam kết đáp ứng các tiêu chí lựa chọn và sử dụng của khách hàng.
-
Cung cấp nhiều mẫu đai treo ống - đai xiết inox có thiết kế thông minh. Giúp cho việc lắp đặt trở nên đơn giản và phù hợp với mọi nhu cầu.
-
Mỗi sản phẩm đều được cung cấp bảng giá chi tiết. Do đó mà khách hàng có thể dễ dàng xem và đưa ra lựa chọn.
-
Chiết khấu phần trăm cực cao cho khách hàng là đại lý hoặc mua hàng với số lượng lớn.
-
Hỗ trợ giao hàng nhanh trên toàn quốc.

Với đội ngũ nhân viên làm việc tận tình, chu đáo, trách nhiệm, bất kỳ thắc mắc nào của khách hàng đều sẽ được giải đáp nhanh chóng, chi tiết nhất. Hãy liên hệ đến hotline của Công ty Bu Lông Nam Hải nếu bạn đang cần mua đai treo ống - đai xiết inox chất lượng cao nhé!
Thông tin liên hệ:
CÔNG TY TNHH ĐẦU TƯ THƯƠNG MẠI VÀ XUẤT NHẬP KHẨU NAM HẢI
Địa chỉ: Lô NV1-13 Khu đấu giá Tứ hiệp – Tứ Hiệp – Thanh Trì – TP. Hà nội
Điện thoại: 0977.260.612/ 0983.999.873
Email: Sales@namhaiinox.com.vn
Website: https://bulongnamhai.com/